Wyślij do nas e-mail

sdepochwater@hotmail.com

Produkty
Licznik wody do nawadniania
  • Licznik wody do nawadnianiaLicznik wody do nawadniania
  • Licznik wody do nawadnianiaLicznik wody do nawadniania

Licznik wody do nawadniania

Zastosowanie:Przyrząd do pomiaru przepływu do pomiaru całkowitej objętości wody przepływającej przez rurociąg.

Dostarczone warunki:

▶Rozmiar: DN50 ~ DN600

▶Materiał: żeliwna skorupa

▶Klasa temperaturowa: T30, T50, T90

▶Klasa ciśnienia:MAP16,MAP10

▶Strata ciśnienia:△P63


Metoda instalacji:

1. Instalacja pozioma.

2.Wymagany jest dodatkowy filtr wody.

3. Wejście/wyjście wody z wodomierza wymaga prostego odcinka rury U10/D5.


Charakterystyka:

1. Mały opór transmisji, duża przepustowość, zapobieganie blokowaniu i silna zdolność zapobiegania zanieczyszczeniom.

2. Wirnik poziomy, suchy, napęd ze sprzęgłem magnetycznym.

3. Licznik wykorzystuje uszczelnienie próżniowe, zapobiega kondensacji i atomizacji, dzięki czemu odczyt może być wyraźny przez długi czas.

4. Zdejmowana konstrukcja ułatwia instalację i konserwację

5. Mechanizm pomiarowy ma dużą uniwersalność.

6. Zgodnie z potrzebami klientów można dostarczyć zdalną transmisję i urządzenie transmisyjne (podwójna transmisja kontaktronowa / halowa).


Parametr techniczny:

DN (mm) Przepływ zakres Stopień pomiaru Maksymalny przepływ Q4 Wspólny przepływ Q3 Przepływ graniczny Q2 Minimum przepływ Q1 Minimum czytanie Maksymalny czytanie
Q3/Q1 m3/godz
LXXG-50 2” R20 (R25) 25 31.25 5 1.25 0.002 999, 999
LXXG-65 2/2" 40 50 8 2 0.002 999, 999
LXXG-80 3” 63 78.75 12.6 3.15 0.002 999, 999
LXXG-100 4” 100 125 20 5 0.002 999, 999
LXXG-125 5” 160 200 32 8 0.002 999, 999
LXXG-150 6” 250 312.5 50 12.5 0.002 999, 999
LXXG-200 8” 400 500 80 20 0.002 999, 999
LXXG-250 10” 630 787.5 126 31.5 0.02 9, 999, 999

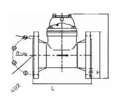
Wymiary całkowite i waga:

Model DN Długość Wysokość Kołnierz przyłączeniowy
mm Kołnierz zewnętrzny średnica φD1 Liczba śruby łączące D2 Liczba śruby łączące
LXXG-50 2” 200 253 165 125 4*M16
LXXG-65 2V2" 200 268 185 145 4*M16
LXXG-80 3” 225 284 200 160 8*M16
LXXG-100 4” 250 295 220 180 8*M16
LXXG-125 5” 250 310 250 210 8*M16
LXXG-150 6” 300 339 285 240 8*M20
LXXG-200 8” 350 382 340 295 8*M20(1,0MPa) 12*M20(1,0MPa)
LXXG-250 10” 450 438 395 405
12*M20(1,0 MPa) 12*M24(1,0 MPa)

A. Maksymalny dopuszczalny błąd niskiego obszaru (Q1≤Q

B. Gdy temperatura wody wynosi ≤30 ℃, maksymalny dopuszczalny błąd w wysokim obszarze (Q2≤Q≤Q4) wynosi ± 2% Gdy temperatura wody wynosi> 30 ℃, maksymalny dopuszczalny błąd w wysokim obszarze (Q2≤Q≤Q4) wynosi ± 3%






Gorące Tagi: Licznik wody do nawadniania
Wyślij zapytanie
Informacje kontaktowe
Gotowy do przeniesienia projektu systemu wodnego na wyższy poziom? Wyślij zapytanie do Shandong Epoch Equipment Co., Ltd. i otrzymaj spersonalizowaną odpowiedź od naszego zespołu. Jesteśmy tutaj, aby pomóc we wszystkich potrzebach systemu wodnego. Bądźmy twoim zaufanym partnerem.
X
Używamy plików cookie, aby zapewnić lepszą jakość przeglądania, analizować ruch w witrynie i personalizować zawartość. Korzystając z tej witryny, wyrażasz zgodę na używanie przez nas plików cookie. Polityka prywatności
Odrzucić Przyjąć