Wyślij do nas e-mail

sdepochwater@hotmail.com

Aktualności

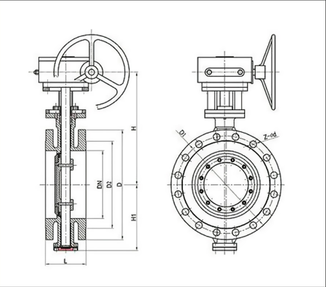
Struktura i zasada pracy zaworu motyli

Rotacja 90 stopni, Mistrzostwa Kontroli przepływu bez wysiłku-Zawory motyli: Optymalizacja wydajności i kosztów dla operacji rurociągowych o dużej średnicy!

1. Omówienie:

  Zawór motylajest strukturalnie prostym i szybkim zaworem, stosowanym przede wszystkim do kontrolowania przepływu płynów (takich jak woda, gaz lub zawiesiny) w rurociągach. Jego podstawową funkcją jest otwarcie, zamknięcie lub regulacja przepływu przepływu przez obracanie dysku (dysk motyla) w rurze.

2. Komponenty kluczowe - korpus zaworu i dysku:

   Głównym korpusem zaworu motyli jest korpus zaworu, krótka cylindryczna obudowa podłączona do rurociągu na obu końcach, tworzących pasmo płynne. Umieszczony centralnie w przejściu ciała zaworu znajduje się element rdzenia - dysk. Jest to struktura w kształcie dysku, której konstrukcja (koncentryczna lub mimośrodowa) i materiał znacząco wpływają na wydajność zaworu.

3. Komponenty kluczowe - łodyga i uruchamianie:

   STEM przechodzi przez środek lub mimośrodowy punkt dysku i rozciąga się na zewnątrz korpusu zaworu. Ten wał jest odpowiedzialny za przekazanie siły obrotowej (momentu obrotowego) generowanego przez zewnętrzny mechanizm pracy (taki jak dźwignia, koło ręczne lub automatyczny siłownik) na dysku, napędzając jego obrót.

4. Komponenty kluczowe - uszczelnienie (siedzenie i uszczelki):

   Aby osiągnąć uszczelnienie po zamknięciu, na wewnętrznej ścianie korpusu zaworu zainstaluje gniazdo pierścieniowe (lub na krawędzi dysku w potrójnych projektach). Kiedy dysk zamyka się, jego krawędź ciasno dociska do tego siedzenia. Materiały siedzeń mogą być elastomerami (miękkie siedzenie, np. Gumka, PTFE, oferowanie dobrego uszczelnienia) lub metalu (twarde siedzenie, odporne na wysoką temperaturę i ciśnienie). Dodatkowo uszczelki (takie jak pakowanie lub O-ringy) znajdują się w miejscu, w którym łodyga opuszcza korpus zaworu, zapobiegając wyciekowi mediów wzdłuż trzonu łodygi.

5. Zasada pracy - proces otwarcia:

   Gdy zawór musi zostać otwarty, mechanizm pracy (ręczny lub automatyczny) obraca łodygę. STEM powoduje, że krążek obraca się wokół jego osi, przesuwając się z pozycji prostopadłej do osi rurociągu (90 stopni, stan zamknięty) w kierunku pozycji równoległej do niej (0 stopni). Gdy dysk obraca się, jego niedrożność płynu maleje, przepływ przepływu stopniowo się otwiera i płynnie przepływa płynnie. Kąt obrotu umożliwia precyzyjną kontrolę natężenia przepływu.

6. Zasada pracy - proces zamykania:

   Gdy zawór musi zostać zamknięty, mechanizm pracy obraca łodygę w przeciwnym kierunku. Dysk zaczyna obracać się z pozycji równolegle do rurociągu, stopniowo blokując ścieżkę przepływu. Po obróceniu około 90 stopni w celu osiągnięcia prostopadłej pozycji, krawędź dysku mocno naciska na siedzenie. Dzięki tej kompresji (polegając na elastycznym deformacji miękkich siedzeń lub precyzyjnym styku stożka dla twardych siedzeń), między krawędzią dysku a siedziskiem całkowicie blokując przepływ płynu powstaje całkowity pierścień uszczelniający.

7. Zalety:

   Główne zalety zaworów motyla leżą w ich zwartej strukturze, lekkiej i krótkimi wymiarom twarzą w twarz (przestrzeń oszczędzająca), proste i szybkie działanie (zazwyczaj wymagające jedynie obrotu 90 stopni dla otwartych/zamkniętych), niskiej odporności na płyn (szczególnie w pełni otwarty), niskim momentem operacyjnym oraz znacznych zalet kosztów w rurociągach o dużej nazwie.

8. Wady i rozważania:

   Wady zastawek motyla obejmują ich zdolność do uszczelnienia zwykle niższe niż zawory bramkowe lub globalne (zwłaszcza typy miękkie), krążek zawsze występuje na ścieżce przepływu, powodując utratę ciśnienia, jest mniej odpowiednia do poważnych zastosowań dławiających (które mogą powodować wibracje lub erozję), oraz czułość materiałów miękkich do ekstremalnych temperatur.

9. Zastosowania typowe:

   Wykorzystując te zalety, zawory motylkowe są szeroko stosowane w scenariuszach średnicy o średnicy, wymagając szybkiego działania, ograniczeń przestrzeni lub wrażliwości kosztów. Wspólne zastosowania obejmują: systemy zaopatrzenia w wodę i drenaż (woda pitna, ścieki), HVAC (ogrzewanie, wentylacja i klimatyzacja), systemy ochrony przeciwpożarowej, woda chłodząca w energii, przemysł petrochemiczny (dla niskociśnieniowych, mediów temperaturowych), przemysł żywności i farmaceutyki (zawory sanitarne) i zawory zarodkowe.

   Shandong Epoch Equipment CO., Ltd. jest dużym profesjonalnym producentem w prowincji Chin Shandong, przestrzega orientacji nauki i technologii, ochrony środowiska, jakości i wydajności. Obecnie stał się przedsiębiorstwem transregionalnym i wieloodustownym integrującym tak szerokie branże, jak projektowanie, rozwój, produkcja i eksport. Odwiedź naszą stronę internetową pod adresemhttps://www.epochpipeline.com/Aby dowiedzieć się więcej o naszych produktach. W przypadku zapytań możesz skontaktować się z nami pod adresem sdepochwater@hotmail.com.

Powiązane wiadomości
Zostaw mi wiadomość
X
Używamy plików cookie, aby zapewnić lepszą jakość przeglądania, analizować ruch w witrynie i personalizować zawartość. Korzystając z tej witryny, wyrażasz zgodę na używanie przez nas plików cookie. Polityka prywatności
Odrzucić Przyjąć